DSAL 06 T/K轴承
DSA-T/K - 免维护型杆端关节轴承
产品特性
带压入式向心关节轴承的杆端关节轴承,钢/PTFE材质,K系列,外螺纹,符合DIN ISO 12240-4标准,免维护
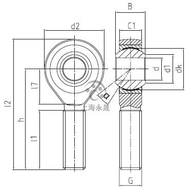
技术参数
| 参数名称 | 参数值 |
|---|---|
| 内径 d (mm) | 6 |
| 外径 d2 (mm) | 20 |
| 螺纹 G | M 6 |
| 宽度 B (mm) | 9 |
| 尺寸 C1 (mm) | 6.75 |
| 尺寸 d1 (mm) | 8.9 |
| 头部直径 dk (mm) | 12.7 |
| 高度 h (mm) | 36 |
| 尺寸 l1 (mm) | 21 |
| 尺寸 l2 (mm) | 46 |
| 尺寸 l7 (mm) | 11 |
| 摆动角度 α (°) | 13 |
| 重量 (kg) | 0.02 |
| 基本额定动载荷 C (kN) | 3.7 |
| 基本额定静载荷 C₀ (kN) | 6.2 |
| 径向游隙 CN (μm) | 0 - 32 |
免维护型杆端关节轴承
-
BEF
带DURBAL-Glide (PTFE)的杆端关节轴承... -
BEF NIRO
不锈钢材质的带DURBAL-Glide (PTFE)的... -
BEF Zoll
带DURBAL-Glide (PTFE)的杆端关节轴承... -
BEFA ALU
铝制带DURBAL-Glide (PTFE)的杆端关节... -
BEM
带DURBAL-Glide (PTFE)的杆端关节轴承... -
BEM NIRO
不锈钢材质的带DURBAL-Glide (PTFE)的... -
BEM Zoll
带DURBAL-Glide (PTFE)的杆端关节轴承... -
BEMA ALU
铝制带DURBAL-Glide (PTFE)的杆端关节... -
CF OK
自润滑杆端关节轴承,内螺纹,K系列,符合DIN ISO... -
CF TOP
自润滑杆端关节轴承,内螺纹,K系列,符合DIN ISO...