DGIR 20 UK-2RS轴承
DGIR-UK-2RS - 免维护型杆端关节轴承
产品特性
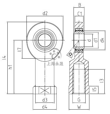
带压入式向心关节轴承的杆端关节轴承,钢/PTFE材质,E系列,内螺纹,两侧带-2RS唇形密封,符合DIN ISO 12240-4标准,免维护
技术参数
| 参数名称 | 参数值 |
|---|---|
| 内径 d (mm) | 20 |
| 外径 d2 (mm) | 53 |
| 尺寸 l4 (mm) | 103.5 |
| 螺纹 G | M 20 x 1,5 |
| 宽度 B (mm) | 16 |
| 尺寸 C1 (mm) | 13 |
| 尺寸 d1 (mm) | 24 |
| 尺寸 d3 (mm) | 27.5 |
| 尺寸 d4 (mm) | 35 |
| 头部直径 dk (mm) | 29 |
| 高度 h1 (mm) | 77 |
| 尺寸 l3 (mm) | 40 |
| 尺寸 l7 (mm) | 27 |
| 摆动角度 α (°) | 9 |
| 重量 (kg) | 0.35 |
| 基本额定动载荷 C (kN) | 20.4 |
| 基本额定静载荷 C₀ (kN) | 48 |
| 径向游隙 CN (μm) | 0 - 40 |
| 尺寸 W (mm) | 32 |
免维护型杆端关节轴承
-
BEF
带DURBAL-Glide (PTFE)的杆端关节轴承... -
BEF NIRO
不锈钢材质的带DURBAL-Glide (PTFE)的... -
BEF Zoll
带DURBAL-Glide (PTFE)的杆端关节轴承... -
BEFA ALU
铝制带DURBAL-Glide (PTFE)的杆端关节... -
BEM
带DURBAL-Glide (PTFE)的杆端关节轴承... -
BEM NIRO
不锈钢材质的带DURBAL-Glide (PTFE)的... -
BEM Zoll
带DURBAL-Glide (PTFE)的杆端关节轴承... -
BEMA ALU
铝制带DURBAL-Glide (PTFE)的杆端关节... -
CF OK
自润滑杆端关节轴承,内螺纹,K系列,符合DIN ISO... -
CF TOP
自润滑杆端关节轴承,内螺纹,K系列,符合DIN ISO...